← South Ribble Borough Council

Status

Unknown House extension
Received
24 May 2025
New homes
0

Full proposal

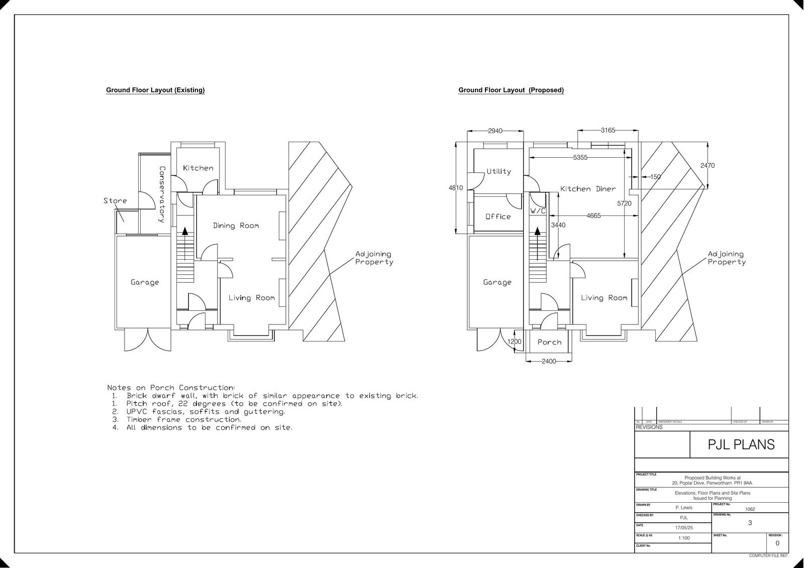
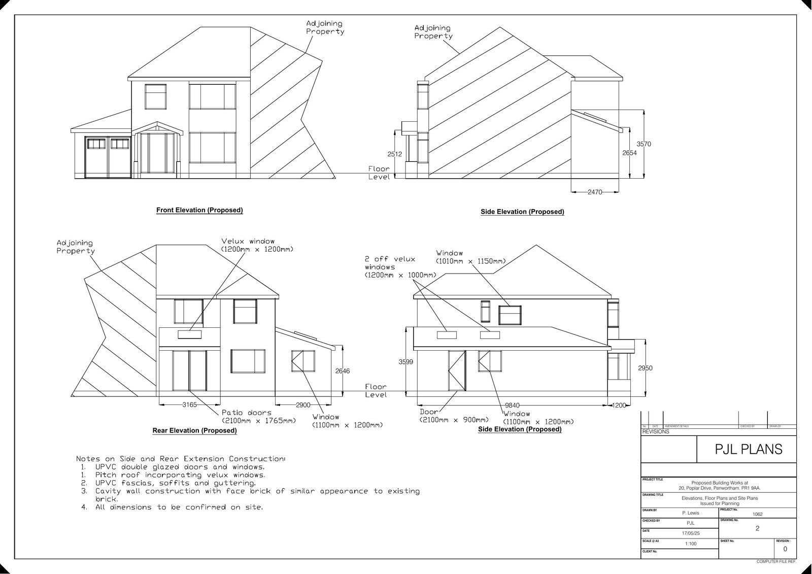
Single storey rear extension. Proposed pitch roof over the existing garage to side elevation and erection of single storey side extension. Porch to front elevation.

Documents

Planning File
Archived · Original link
Delegated Report
Archived · Original link
Planning File
Archived · Original link
Planning File
Archived · Original link
Planning File
Archived · Original link
Planning File
Archived · Original link
Planning File
Archived · Original link

Have your say

Your comment matters. Councils must consider every representation that raises material planning considerations.

Write a comment